Κωδικός Προϊόντος: 210982/0

 

Ράουλο τάνυσης 90 

 

 

 

   Τεχνικές Προδιαγραφές

    Εφαρμογές

    Συναρμολόγηση

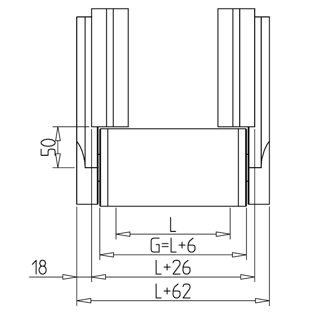
  • Αλουμίνιο με άξονα από χάλυβα
  • Άξονας Ø25
  • Προσδιορίστε το μήκος L (mm)
  • το L δεν είναι η εξωτερική διάμετρος
    • της ταινίας (Ø95mm)
  • Βάρος: 0.465 Kg/τεμ
  • Εξτρα βάρος: 1.506 Kg/100mm

 

 

  • Μεταφορικές ταινίες
  • Κατάλληλο για έδραση
    • μεταφορικής ταινίας 90 (210985/0)

 

  • Τοποθετήστε τους άξονες μέσα στην έδραση
  • Το αυτορυθμιζόμενο ρουλεμάν
    • αντισταθμίζει μικρές αποκλίσεις

 

   

 

       Διεύθυνση: Τατοΐου 47 - Αχαρνές Αττικής, 13672, Τηλέφωνο Επικοινωνίας 210 - 2401444

      

Search